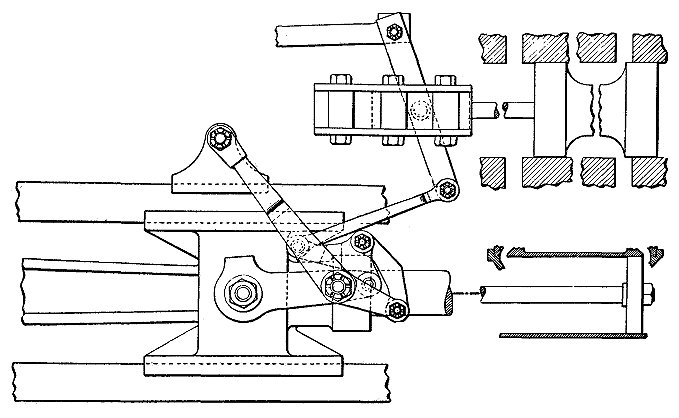
Rod and Bell-crank Assembly

Closeup of the rod and bell-crank assembly which imparts variable motion to the piston valve. It can be engineered to produce a wide range of valve events.